|
|
ATT-2590 IR Thermometer
|
|
Infrared thermometer convenient for contact and contactless measurement of the surface temperature of objects. Measurement range (pyrometer): -50...300°C (-58...572°F), resolution: 0.1°C /0.1°F. Measurement range (contact method): -200...1300°C (-328...2372°F), 0.1°C /0.1°F. Weight: 6.4 oz / 180 g. Dimensions: 4.8 x 2.4 x 1.2 in / 121 x 60 x 30 mm.
|
|
Aktakom ATT-2590 is an infrared thermometer convenient for contact and contactless measurement of the surface temperature of objects. For the best target indication Aktakom ATT-2590 uses a laser marker.
ATT-2590 IR thermometer is especially suitable when other temperature measuring methods are not acceptable. Thus when you need to measure the temperature of a moving object, surface under voltage, dirty or hard-to-reach surface.
Features:
-
Temperature measurement with contact (K-type thermocouple) and contactless methods (pyrometer)
-
High-contrast 4 digit display
-
Environment temperature indication
-
Laser (pyrometer) that can be switched off
-
Functions when using contact method: data hold, max./min. and rms values record, difference between max. and min. values
-
Backlight
-
Portability
-
Handy and solid housing
-
Low-battery indication
-
Auto power off: 25 sec. (pyrometer) or 20 minutes (thermocouple measurement)
Specifications:
Pyrometer
- Measurement range: -50...300°C (-58...572°F)
- Resolution: 0.1°C /0.1°F
- Accuracy:
±5°C/9°F at -50...-20°C range
± (1,5% of the measured value +3°C /5°F) at -20...300°C range
- Emission coefficient: constant 0.95
- Optical resolution: 2:1
Contact method
- Measurement range: -200...1300°C (-328...2372°F)
- Resolution:
0.1°C /0.1°F (<1000°C)
1°C /1°F (>1000°C)
- Accuracy:
± (0.2 of the measured value + 1°C /2°F) at -200...-100°C range
± (0.1% of the measured value + 0.7°C /1.4°F) at -100...1300°C range
- Time response: 0.5 sec
- Power supply: 3 triple-A batteries
- Weight: 6.4 oz / 180 g
- Dimensions: 4.8 x 2.4 x 1.2 in / 121 x 60 x 30 mm
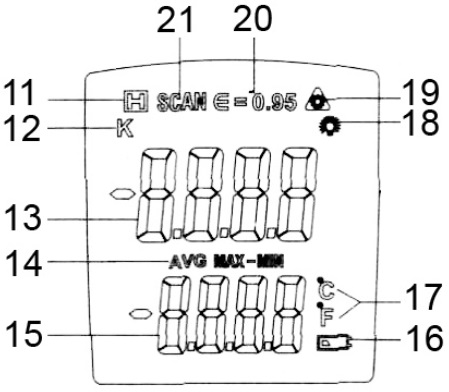
Methods of temperature measurement with AKTAKOM ATT-2590 thermometer
Contactless method (pyrometer):
-
Switch on AKTAKOM ATT-2590 thermometer pressing TYPE/ON/OFF button (7) and wait for 1-2 seconds until there are figures displayed
-
Press again TYPE/ON/OFF button (7) until the display shows data hold function indicator (11) and emission coefficient indicator (20)
-
If you need to switch on the laser pointer press LASER (6). When it’s switched on the display shows its indicator (19)
Note: Pointing the laser at the eyes is prohibited due to the high injury-risk. To switch off the laser pointer double press LASER button (6). The relative symbol (19) will disappear from the display.
-
Point the infrared sensor (2) at the object (the laser pointer can be either switched on or off), press SCAN/H (8) button and keep it pressed. The first display line (13) will contain the currently measured temperature value.
-
To fix the measured value in the first display line (13) release the pressed SCAN/H (8) button
-
Max., min., average values or the difference between the max. and min. values will be displayed on the bottom display line (15) and the selected display mode – on the indicator between 2 parts of the display (14). The required mode (max., min., average, max.-min. difference) is selected with repeated pressing of MODE button (9).
Contact method (with a thermocouple):
-
Set the K-type thermocouple into the socket (3)
-
Switch on AKTAKOM ATT-2590 thermometer pressing TYPE/ON/OFF button (7) and wait for 1-2 seconds until there are figures displayed
-
Make sure the indicator of contact measurement method is displayed (12). If this indicator (12) is off press TYPE/ON/OFF button (7) again until this symbol (12) is displayed
-
Take a measurement. The first display line (13) will contain the currently measured temperature value.
-
To fix the measured value in the first display line (13) press SCAN/H (8) button. Data hold mode is activated if you see the relative indicator on the display (11). To exit this mode double press SCAN/H (8) button.
-
Max. and min. values will be displayed on the bottom display line (15) and the selected display mode – on the indicator between 2 parts of the display (14). The required mode selection (max. or min.) or return to the measurement mode is made with repeated pressing of MODE button (9).

Frequently Asked Questions
How can I deactivate auto power off function when operating AKTAKOM ATT-2590 thermometer?
How can I switch on the backlight of AKTAKOM ATT-2590 thermometer?
How can I select the required measurement unit when operating AKTAKOM ATT-2590 thermometer?
| How can I deactivate auto power off function when operating AKTAKOM ATT-2590 thermometer? |
|
Auto power off function is active on default. If you press no buttons of AKTAKOM ATT-2590 thermometer within 20 minutes (for contact measurement mode) or 20 seconds (for contactless mode) the device automatically powers off.
-
To deactivate auto power off function switch off the device first. Therefore press TYPE/ON/OFF button and keep it pressed for 1-2 seconds
-
Keeping LASER button pressed switch on the device by pressing TYPE/ON/OFF button. All of the symbols will be displayed at the same time.
-
At this stage auto power off function is considered deactivated.
Up
|
| How can I switch on the backlight of AKTAKOM ATT-2590 thermometer? |
|
-
To switch on the backlight of AKTAKOM ATT-2590 thermometer press the following button -
and keep it pressed for about 1 second
-
The backlight will be on, at the same time you will see the relative indicator in the top right corner of the display
-
To switch the backlight off press the same button again and keep it pressed for about 1 second. The symbol in the top right corner will disappear.
Up
|
| How can I select the required measurement unit when operating AKTAKOM ATT-2590 thermometer? |
To switch between °C and °F units you need to press UNIT button on the front panel of AKTAKOM ATT-2590 thermometer. The selected unit will be shown on the display.
Up
|
Back to the section
|
|